Description
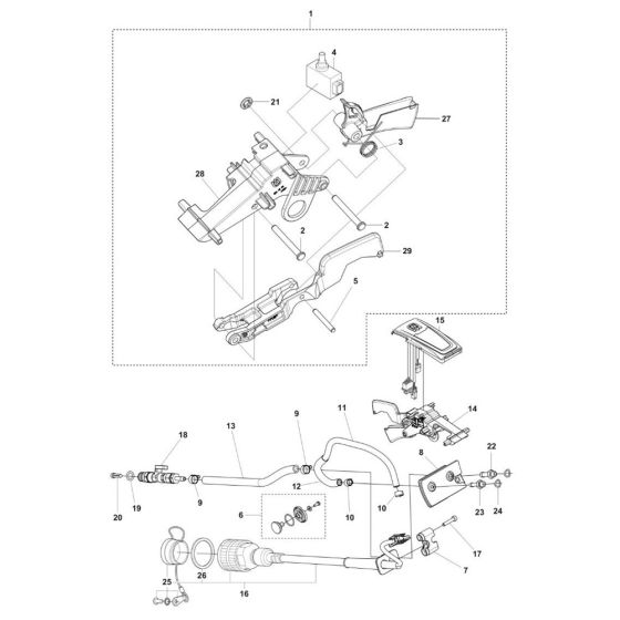
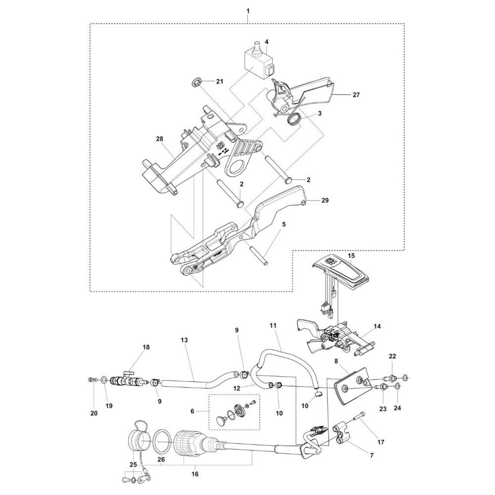
The Electric Assembly for the Husqvarna K7000 Chain Disc Cutter includes key components essential for optimal performance and longevity. This assembly ensures efficient power delivery and operation, featuring parts such as connectors, switches, and wiring harnesses. Designed to maintain the cutter's functionality, it supports both routine maintenance and necessary repairs.
Reviews
Add a review
Write Your Own Review
Ask a Question
Customer Questions

