Description
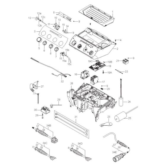
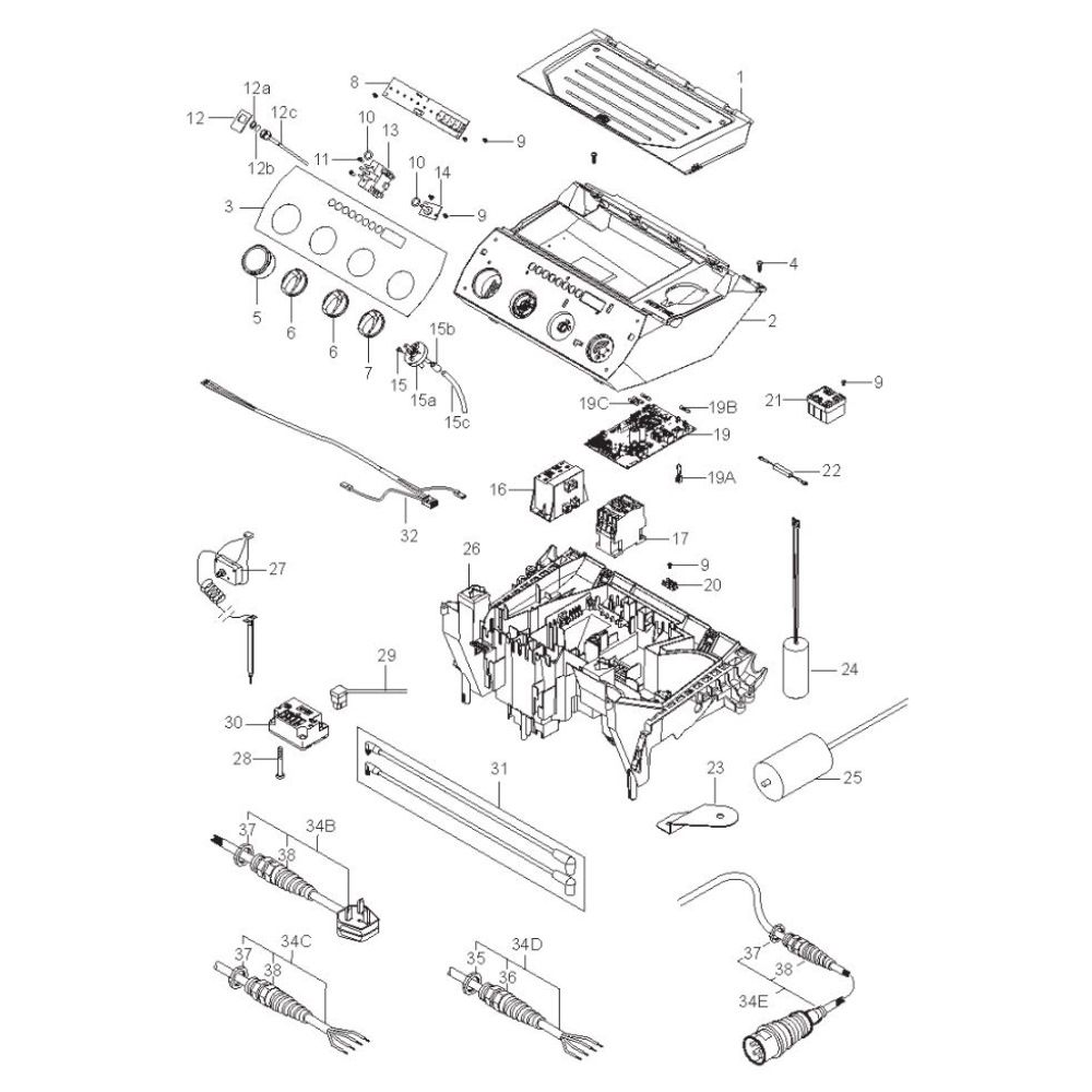
The Electric Box for the Nilfisk MH 6P-200/1300 FAX Pressure Washer is designed to house and protect the electrical components essential for the machine's operation. This genuine Nilfisk part ensures reliable performance and safety by safeguarding against environmental factors. Suitable for routine maintenance and repairs, it helps maintain the washer's efficiency and longevity.
Reviews
Add a review
Write Your Own Review
Ask a Question
Customer Questions

