Description
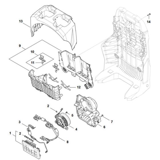
The Electric Motor Assembly for the Stihl BRA 500 Blower is a genuine Stihl part designed to ensure optimal performance and longevity of your blower. This assembly includes key components such as the motor housing, rotor, and stator, which work together to deliver efficient power output. Regular maintenance of these parts helps maintain the blower's reliability and efficiency.
Reviews
Add a review
Write Your Own Review
Ask a Question
Customer Questions

