Description
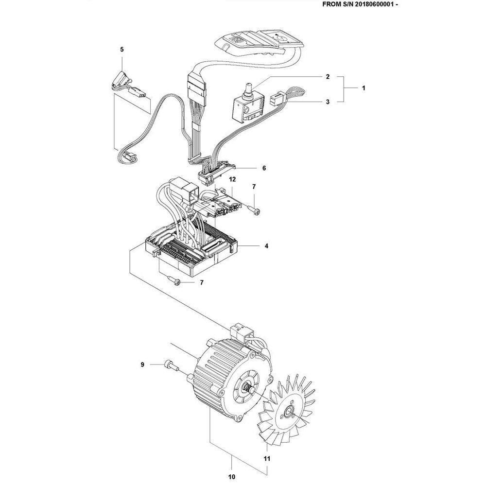
The Electrical Assembly for the Husqvarna 536Li XP Chainsaw includes key components to ensure efficient operation and longevity. Designed for the battery-powered model, this assembly helps maintain optimal performance by providing necessary electrical connections and support. Components may include wiring, connectors, and switches, all essential for reliable chainsaw function.
Reviews
Add a review
Write Your Own Review
Ask a Question
Customer Questions

