Description
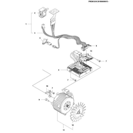
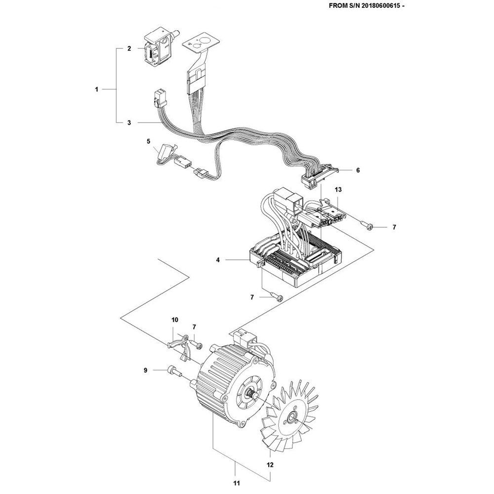
The Electrical Assembly for the Husqvarna T536Li XP Chainsaw includes key components to ensure optimal performance and longevity. This assembly is crucial for maintaining the chainsaw's electrical system, providing reliable power and efficiency. Components such as connectors, switches, and wiring are included, designed to fit seamlessly with the Husqvarna T536Li XP model.
Reviews
Add a review
Write Your Own Review
Ask a Question
Customer Questions

