Description
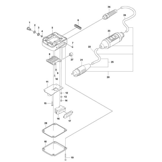
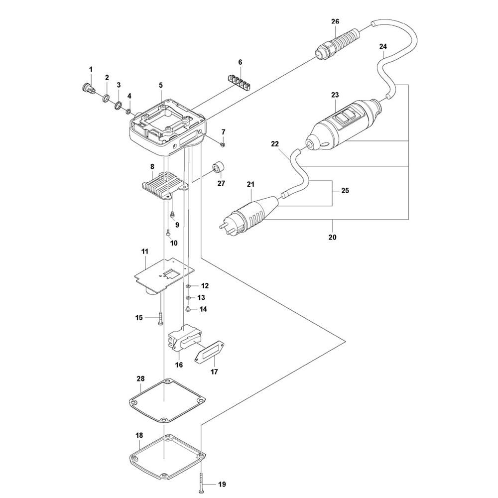
The Electrical Assembly for the Husqvarna DM 430 Core Drill includes key components essential for maintaining optimal performance and reliability. This assembly ensures efficient power delivery and control, safeguarding the drill's operation. Components may include wiring harnesses, switches, connectors, and circuit boards, all designed to meet Husqvarna's high standards.
Reviews
Add a review
Write Your Own Review
Ask a Question
Customer Questions

