Description
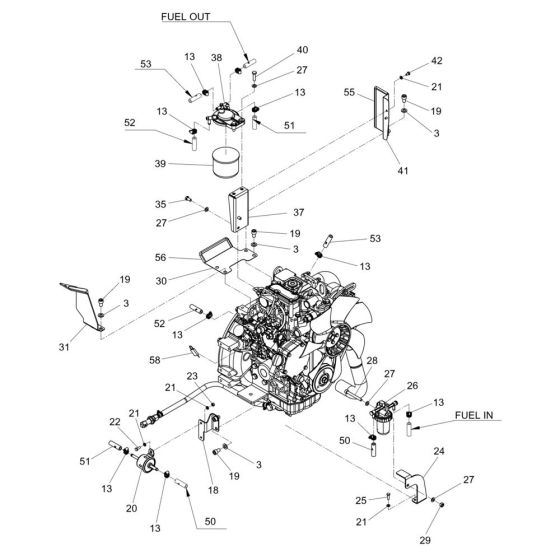
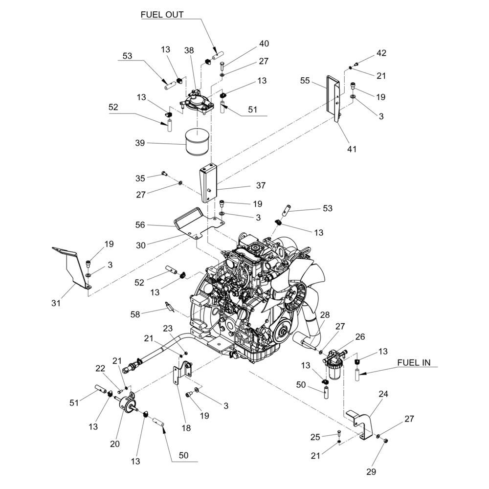
The Engine Assembly for the Wacker LTN4Y Lighting Tower includes key components essential for optimal performance and longevity. Designed to ensure efficient operation, this assembly helps maintain the lighting tower's engine by providing clean fuel and air flow, reducing wear and tear. Components may include filters, gaskets, and seals.
Reviews
Add a review
Write Your Own Review
Ask a Question
Customer Questions

