Description
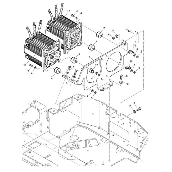
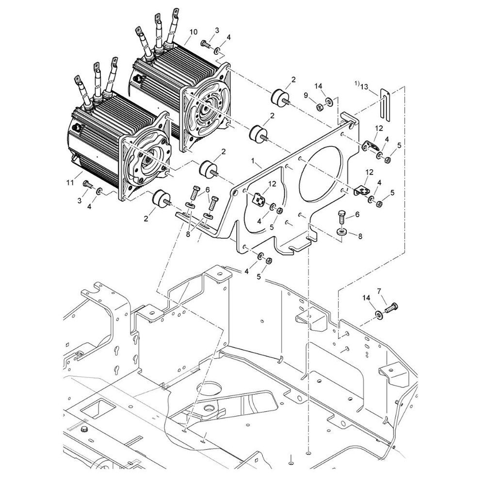
The Engine Assembly for the Bomag BW 120 ADe-5 Roller is designed to ensure optimal performance and longevity of your roller. It includes essential components such as pistons, gaskets, and valves, which work together to deliver efficient power and reliability. This assembly is crucial for maintaining the smooth operation of your Bomag tandem roller.
Reviews
Add a review
Write Your Own Review
Ask a Question
Customer Questions

