Description
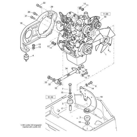
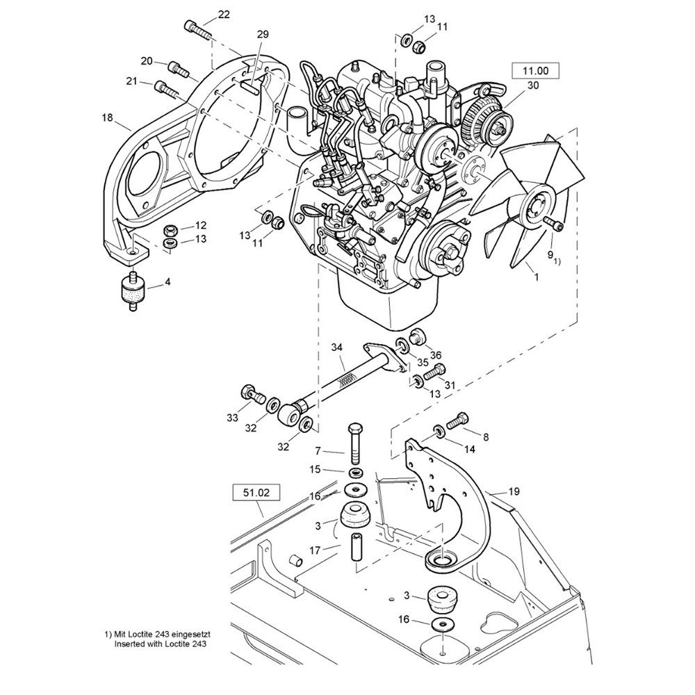
The Engine Assembly for the Bomag BW80 ADS Roller includes key components essential for the machine's operation and efficiency. Designed to ensure optimal performance, this assembly helps maintain the roller's vibratory function and reliability. Components may include gaskets, seals, and levers, all contributing to the engine's smooth operation.
Reviews
Add a review
Write Your Own Review
Ask a Question
Customer Questions

