Description
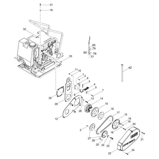
The Engine Assembly for the Wacker DPS1850H Plate Compactor is designed to ensure optimal performance and longevity. This assembly includes key components such as pistons, gaskets, and valves, essential for maintaining the compactor's efficiency. Suitable for routine maintenance and repair, it helps in reducing downtime and extending the machine's service life.
Reviews
Add a review
Write Your Own Review
Ask a Question
Customer Questions

