Description
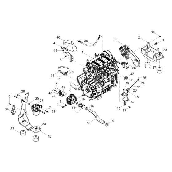
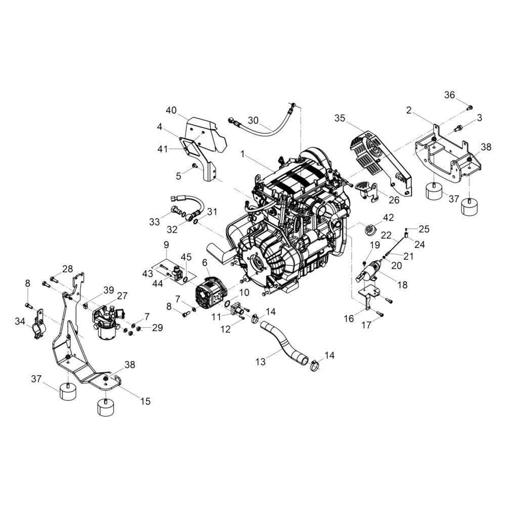
The Engine Assembly for the Wacker DPU110 Plate Compactor includes key components to ensure optimal performance and longevity. Designed for efficient operation, this assembly helps maintain the compactor's power and reliability. Typical parts include pistons, gaskets, and seals, essential for smooth engine function. Suitable for routine maintenance and repairs.
Reviews
Add a review
Write Your Own Review
Ask a Question
Customer Questions

