Description
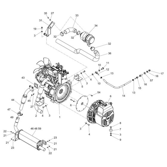
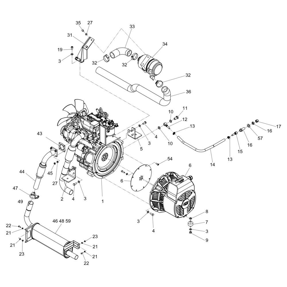
The Engine Assembly for the Wacker LTN4Y Lighting Tower includes key components essential for optimal operation and maintenance. This assembly ensures efficient performance by integrating parts such as gaskets, pistons, and valves. Designed to support the lighting tower's engine, it helps maintain reliability and longevity under various working conditions.
Reviews
Add a review
Write Your Own Review
Ask a Question
Customer Questions

