Description
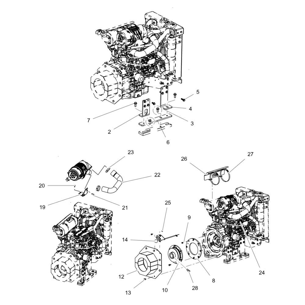
The Engine Assembly for the Wacker PT6Y Pump includes key components to ensure optimal performance and reliability. Designed for efficient operation, this assembly helps maintain the pump's functionality by providing essential parts such as gaskets, seals, and levers. Regular maintenance with genuine Wacker Neuson parts can extend the service life of your pump.
Reviews
Add a review
Write Your Own Review
Ask a Question
Customer Questions

