Description
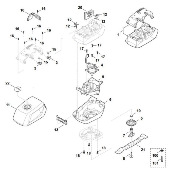
The Engine and Blade Assembly for the Stihl RMA 253.3 Lawn Mower includes key components to ensure optimal cutting performance and engine efficiency. This genuine Stihl part is designed for seamless integration, providing reliable operation and longevity. Components such as blades, engine parts, and fasteners are available to maintain and repair your lawn mower effectively.
Reviews
Add a review
Write Your Own Review
Ask a Question
Customer Questions

