Description
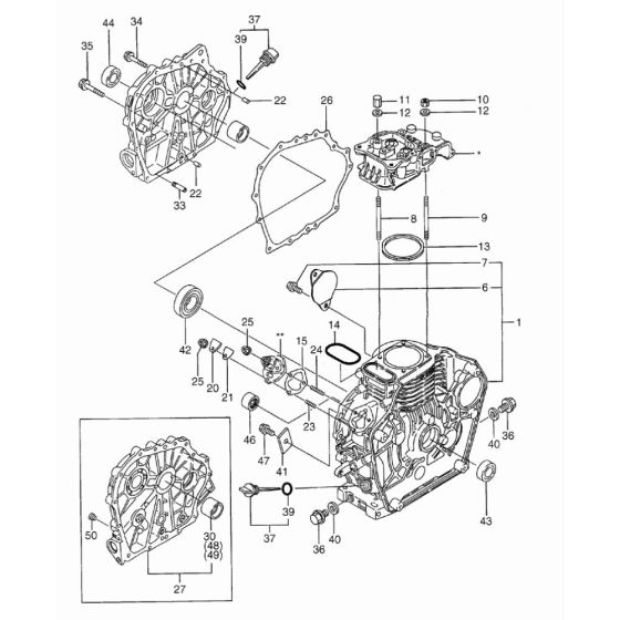
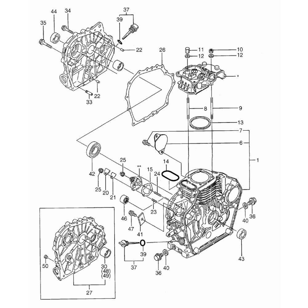
The Engine Block Assembly for the Wacker VPY1750 Compactor is crucial for maintaining the machine's performance and longevity. This assembly includes key components such as pistons, gaskets, and cylinders, ensuring efficient operation and reduced wear. Designed for the Wacker Neuson Forward Plate Compactor, it supports routine maintenance and repair tasks.
Reviews
Add a review
Write Your Own Review
Ask a Question
Customer Questions

