Description
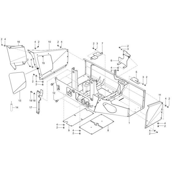
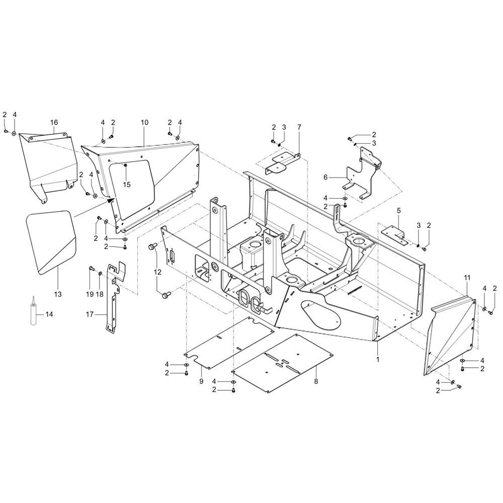
The Engine Box Assembly for the Wacker TH627 Telehandler comprises key components essential for the machine's operation. This assembly ensures optimal engine performance and longevity by housing critical parts such as gaskets, levers, and seals. Designed for durability, it supports the telehandler's demanding tasks in construction and material handling.
Reviews
Add a review
Write Your Own Review
Ask a Question
Customer Questions

