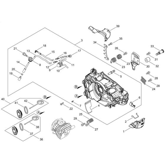
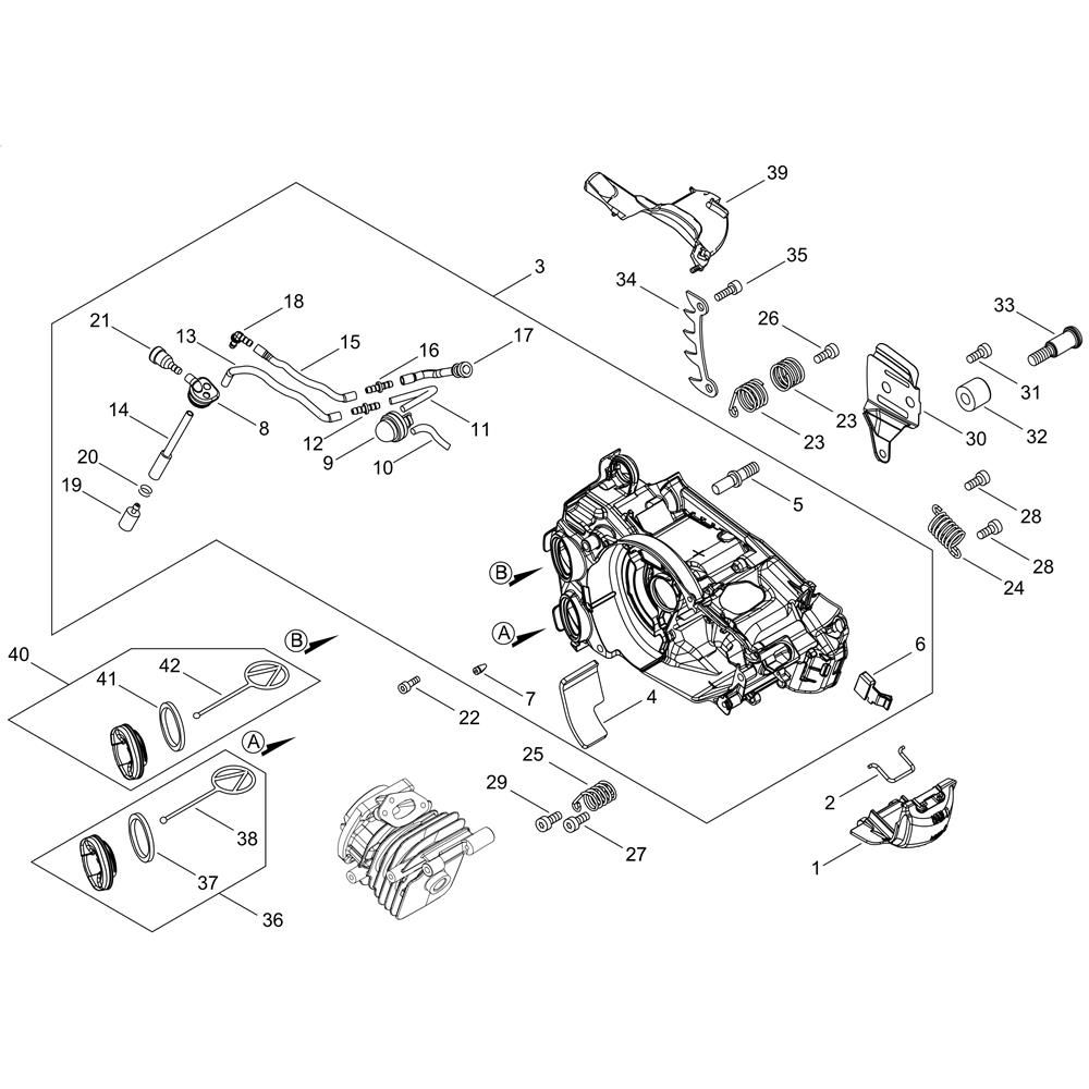
Description
The Engine Cover for the Shindaiwa 251WS Chainsaw is a crucial component designed to protect the engine from debris and damage during operation. This genuine Shindaiwa part ensures optimal performance and longevity of your chainsaw by shielding internal components from external elements. It is essential for maintaining the chainsaw's efficiency and reliability.
Reviews
Add a review
Write Your Own Review
Ask a Question
Customer Questions

