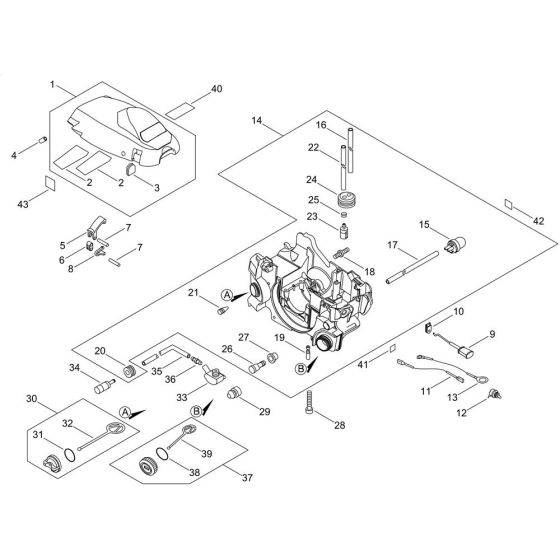
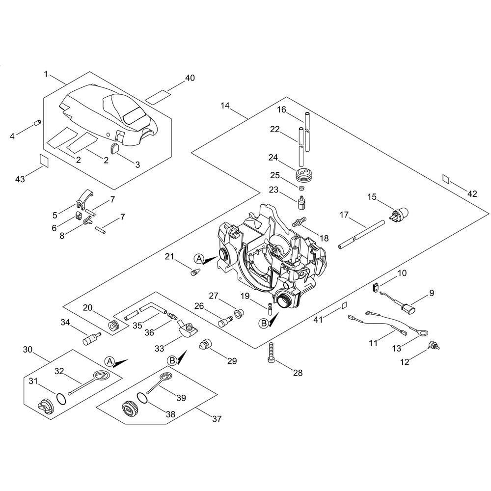
Description
The Engine Cover for the Shindaiwa 305S Chainsaw is a crucial component designed to protect the engine from external elements. It ensures optimal performance by shielding the engine from dust, debris, and potential damage during operation. This genuine Shindaiwa part is essential for maintaining the longevity and efficiency of your chainsaw.
Reviews
Add a review
Write Your Own Review
Ask a Question
Customer Questions

