Description
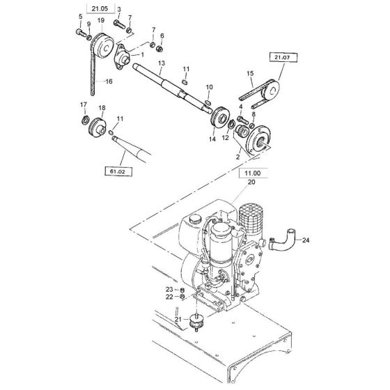
The Engine Mount Assembly for the Bomag BW 71 E Roller ensures stability and reduces vibration during operation. This assembly is crucial for maintaining the roller's performance and longevity. It includes components such as mounts, brackets, and fasteners, all designed to fit the specified model range. Genuine Bomag parts guarantee compatibility and reliability.
Reviews
Add a review
Write Your Own Review
Ask a Question
Customer Questions

