Description
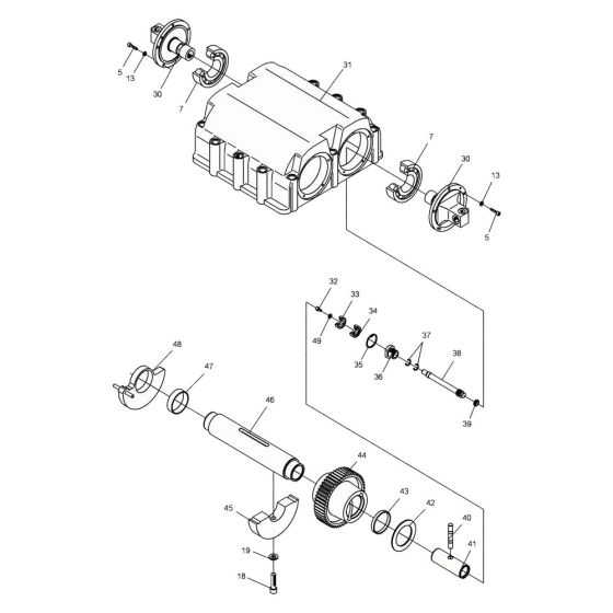
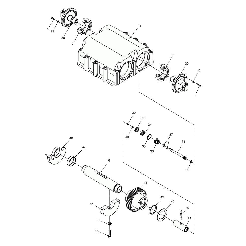
The Exciter Assembly for the Wacker DPU9070 Plate Compactor is crucial for optimal machine performance. It ensures effective vibration transfer, enhancing compaction efficiency. This assembly includes components such as bearings, shafts, and seals, designed to withstand rigorous use. Genuine Wacker Neuson parts ensure compatibility and durability, maintaining the reliability of your equipment.
Reviews
Add a review
Write Your Own Review
Ask a Question
Customer Questions

