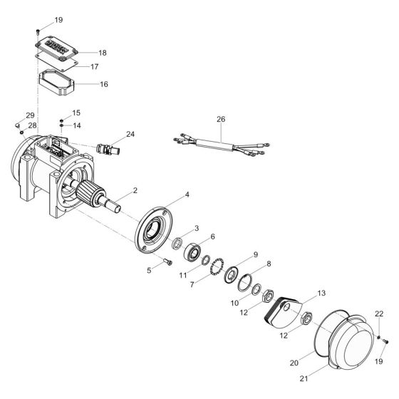
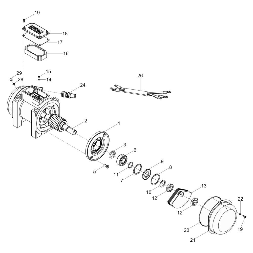
Description
The Exciter Assembly for the Wacker AP1840we Plate Compactor is crucial for optimal machine performance. It ensures efficient vibration transfer to compact surfaces effectively. This assembly includes key components such as bearings, shafts, and seals, designed to maintain the compactor's reliability and durability. Genuine Wacker Neuson parts ensure compatibility and longevity.
Reviews
Add a review
Write Your Own Review
Ask a Question
Customer Questions

