Description
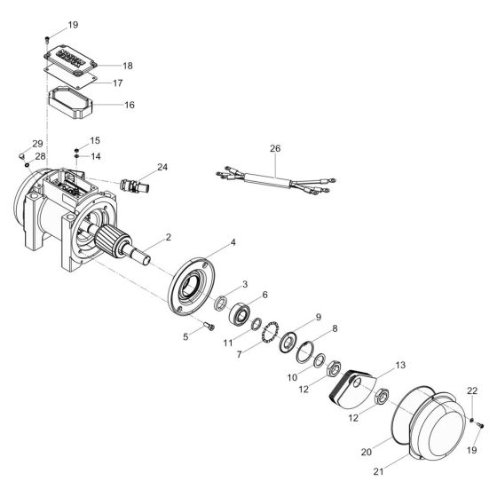
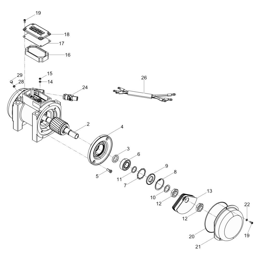
The Exciter Assembly for the Wacker AP1850e Plate Compactor is crucial for optimal machine performance. It ensures efficient vibration and compaction, enhancing the machine's effectiveness on various surfaces. This assembly includes components like bearings, shafts, and seals, designed to maintain the compactor's reliability and longevity. Genuine Wacker Neuson parts guarantee compatibility and durability.
Reviews
Add a review
Write Your Own Review
Ask a Question
Customer Questions

