Description
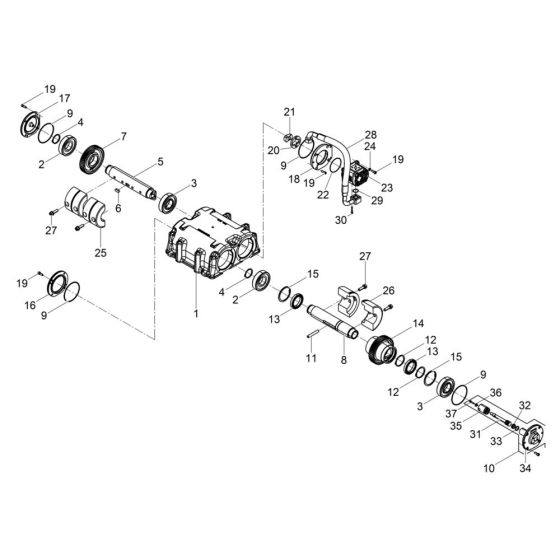
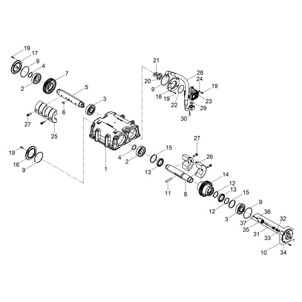
The Exciter Assembly for the Wacker DPU90 Plate Compactor is crucial for efficient operation, providing the necessary vibration to compact surfaces effectively. This assembly includes key components such as bearings, shafts, and seals, ensuring optimal performance and longevity. Designed for the Wacker Neuson Reversible Plate Compactor, it supports reliable and consistent compaction results.
Reviews
Add a review
Write Your Own Review
Ask a Question
Customer Questions

