Description
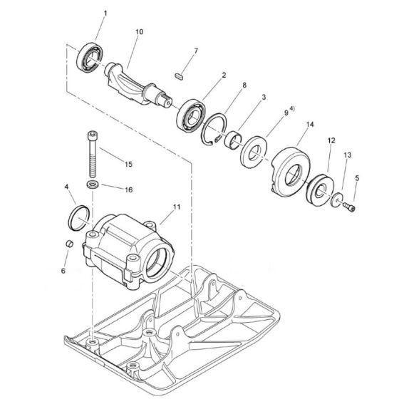
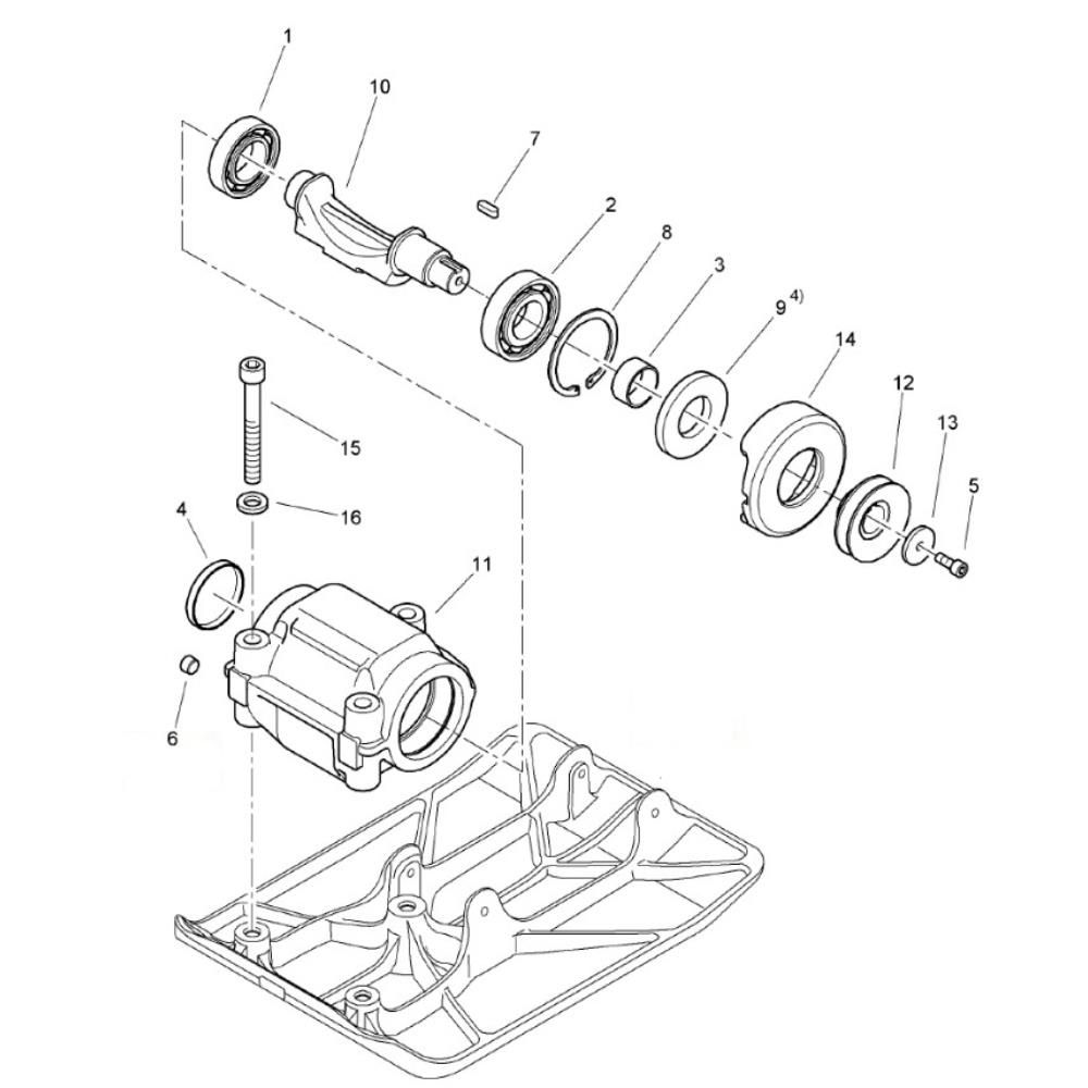
The Exciter Unit Assembly for Bomag BP 10/35 Compactors is a crucial component designed to enhance the machine's performance by generating the necessary vibrations for effective compaction. This genuine Bomag spare part ensures optimal functionality and longevity of the equipment. The assembly typically includes key components such as bearings, shafts, and seals, which work together to deliver consistent and reliable operation.
Reviews
Add a review
Write Your Own Review
Ask a Question
Customer Questions

