Description
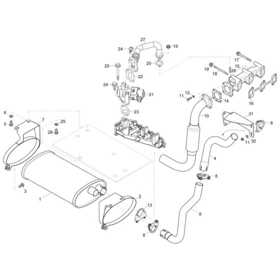
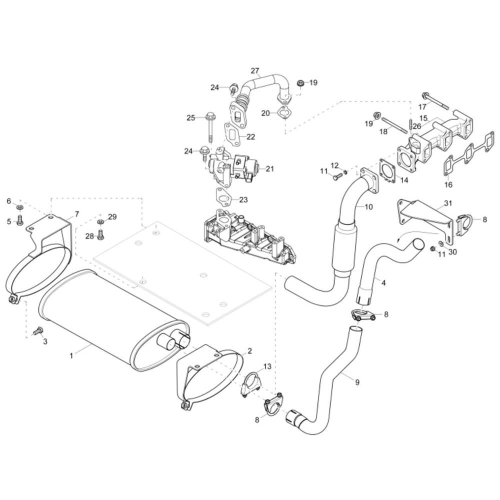
The Exhaust Assembly for the Wacker ET35 Mini Excavator is designed to ensure optimal engine performance and efficiency. This assembly includes components such as pipes, mufflers, and gaskets, which work together to manage exhaust flow and reduce noise. Suitable for maintaining the Wacker Neuson Mini Excavator, it helps in prolonging engine life and enhancing operational reliability.
Reviews
Add a review
Write Your Own Review
Ask a Question
Customer Questions

