Description
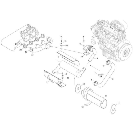
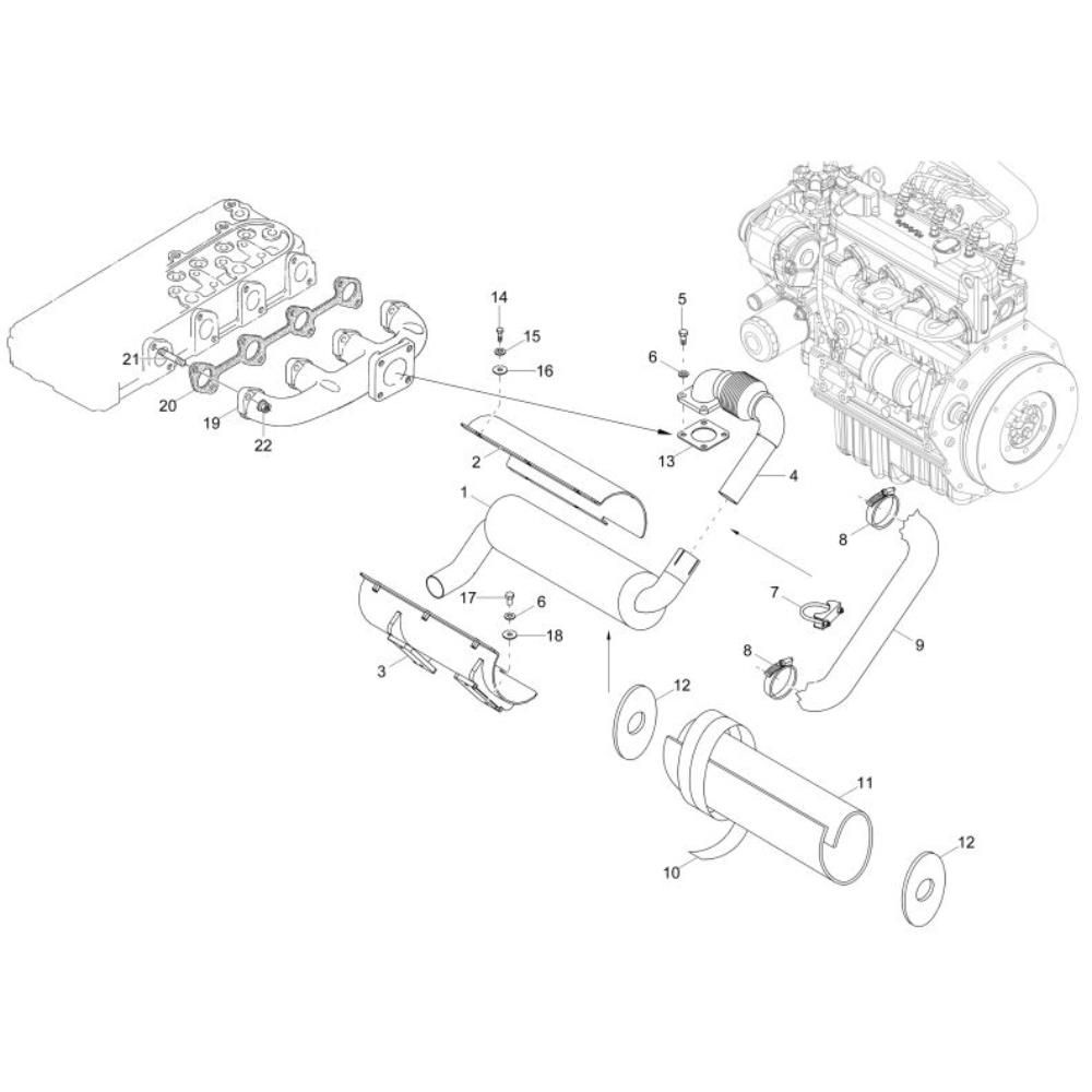
The Exhaust Assembly for the Wacker DT23 Track Dumper is designed to ensure optimal performance and longevity of the machine. It plays a crucial role in directing exhaust gases safely away from the engine, reducing noise and emissions. This assembly includes components such as mufflers, pipes, and clamps, all tailored to fit the Wacker DT23 model, ensuring compatibility and efficiency.
Reviews
Add a review
Write Your Own Review
Ask a Question
Customer Questions

