Description
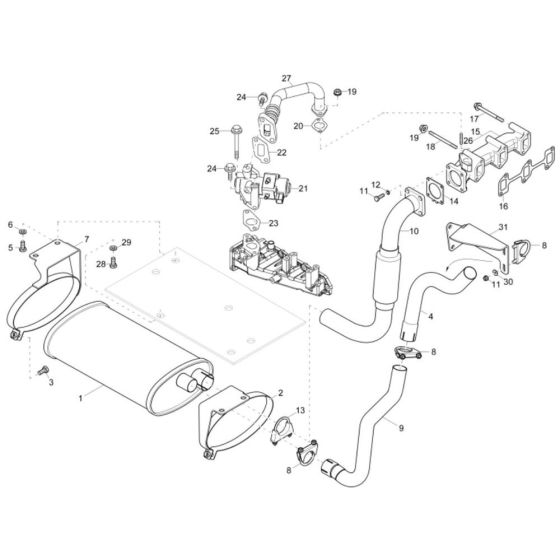
The Exhaust Assembly for the Wacker EZ36 Mini Excavator is designed to ensure optimal engine performance and reduce emissions. This assembly plays a crucial role in directing exhaust gases away from the engine, helping to maintain efficiency and prolong the machine's lifespan. Components typically include pipes, mufflers, and gaskets, all essential for effective exhaust management.
Reviews
Add a review
Write Your Own Review
Ask a Question
Customer Questions

