Description
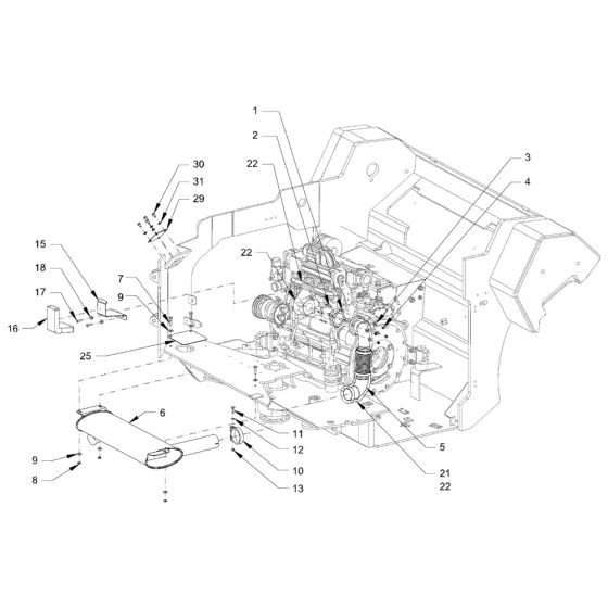
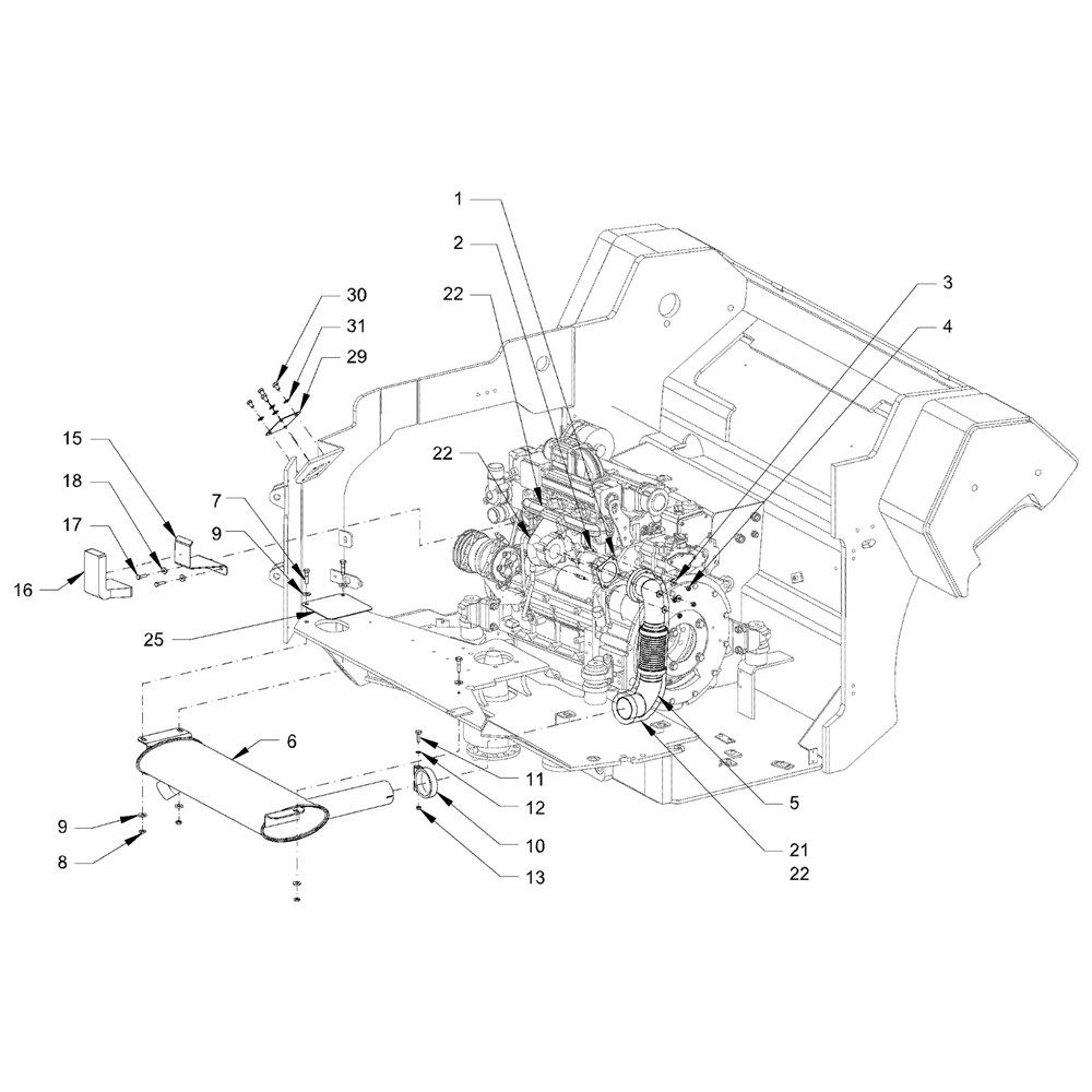
The Exhaust System Assembly for Hamm HD90 (H245) Rollers is designed to ensure optimal performance and efficiency. This assembly includes components such as mufflers, pipes, and clamps, which work together to manage exhaust flow and reduce noise. Genuine Hamm parts ensure compatibility and durability, maintaining the roller's operational standards.
Reviews
Add a review
Write Your Own Review
Ask a Question
Customer Questions

