Description
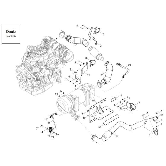
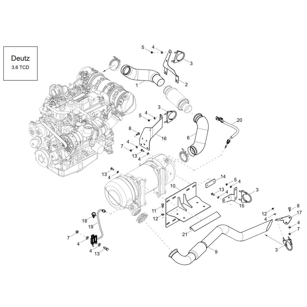
The Exhaust Assembly for the Wacker DV90-2 Dumper is designed to ensure efficient emission control and optimal engine performance. This assembly includes components such as pipes, mufflers, and gaskets, which work together to reduce noise and direct exhaust gases safely away from the engine. Essential for maintaining the dumper's reliability and compliance with emission standards.
Reviews
Add a review
Write Your Own Review
Ask a Question
Customer Questions

