Description
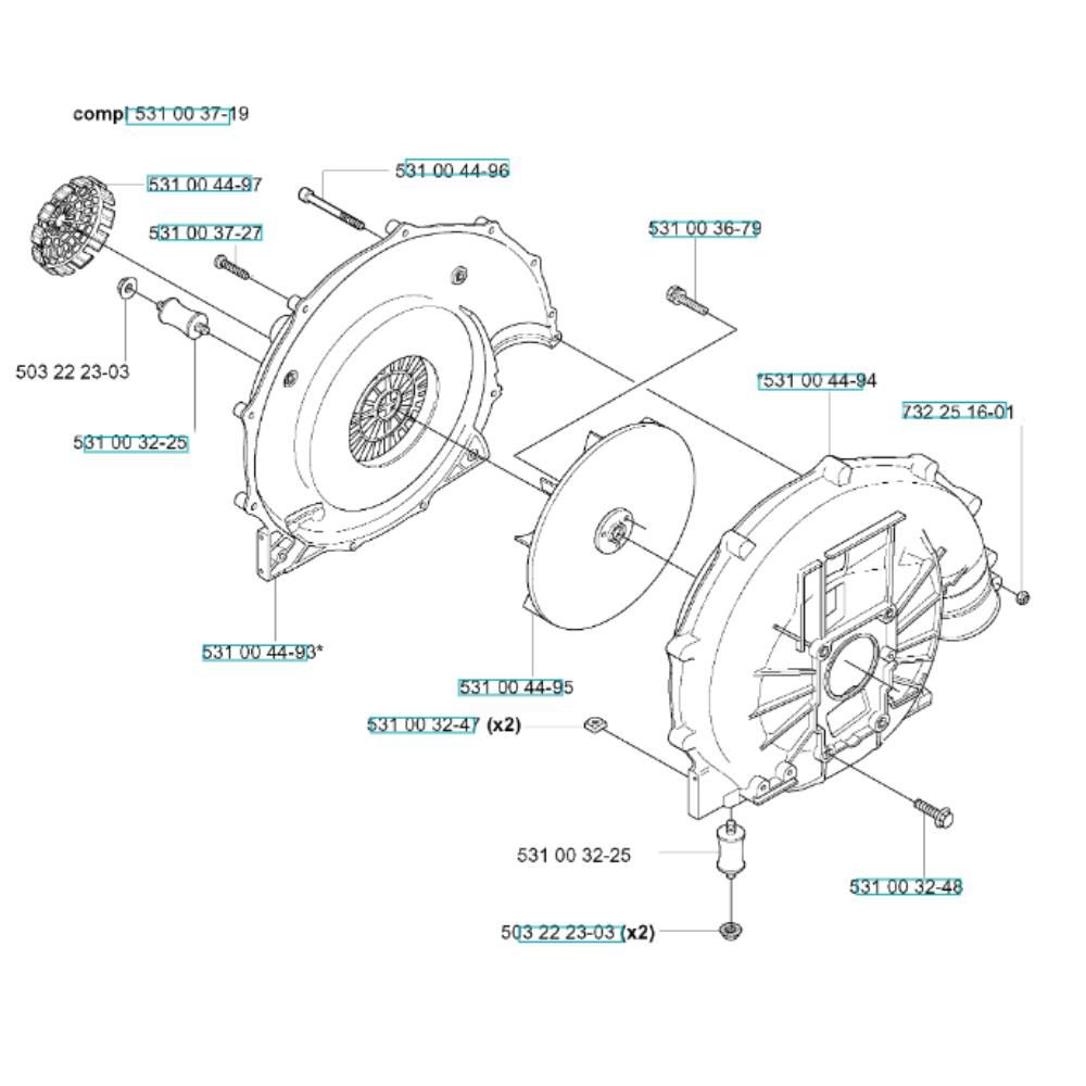
The Fan Assembly for the Husqvarna 145 BT Blower is designed to ensure optimal airflow and performance. This assembly includes key components that help maintain the blower's efficiency and longevity. Genuine Husqvarna parts ensure compatibility and reliability, making it ideal for routine maintenance and repair tasks.
Reviews
Add a review
Write Your Own Review
Ask a Question
Customer Questions

