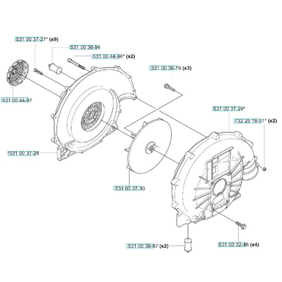
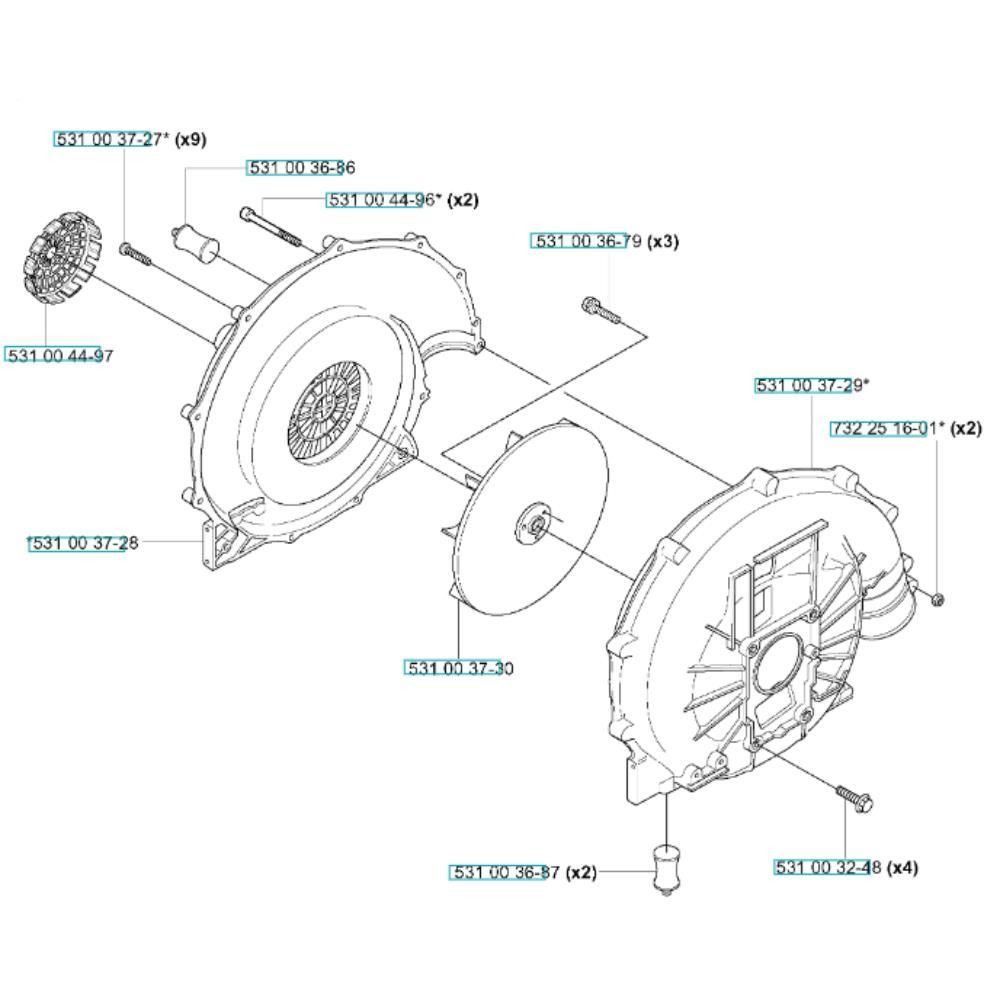
Description
The Fan Assembly for the Husqvarna 155 BT Blower is designed to ensure optimal airflow and performance. This assembly includes key components that help maintain the blower's efficiency and longevity. Genuine Husqvarna parts ensure compatibility and reliability, providing effective operation for garden maintenance tasks.
Reviews
Add a review
Write Your Own Review
Ask a Question
Customer Questions

