Description
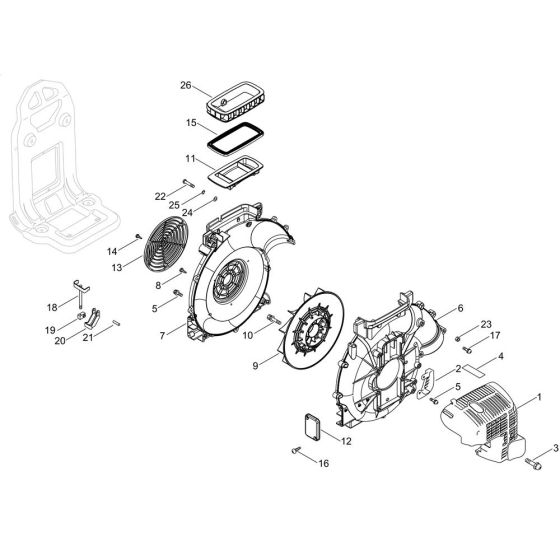
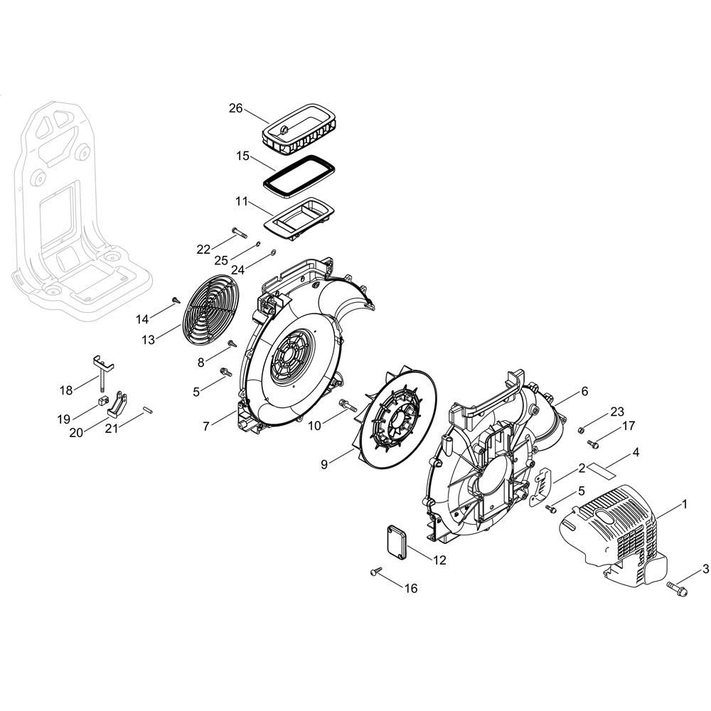
The Fan Case for the ECHO MB-580 Duster-Mistblower is designed to house and protect the fan mechanism, ensuring optimal performance and longevity. It plays a crucial role in maintaining airflow efficiency and safeguarding internal components from debris. Available in both genuine and non-genuine parts, this fan case is essential for routine maintenance and repair of your mistblower.
Reviews
Add a review
Write Your Own Review
Ask a Question
Customer Questions

