Description
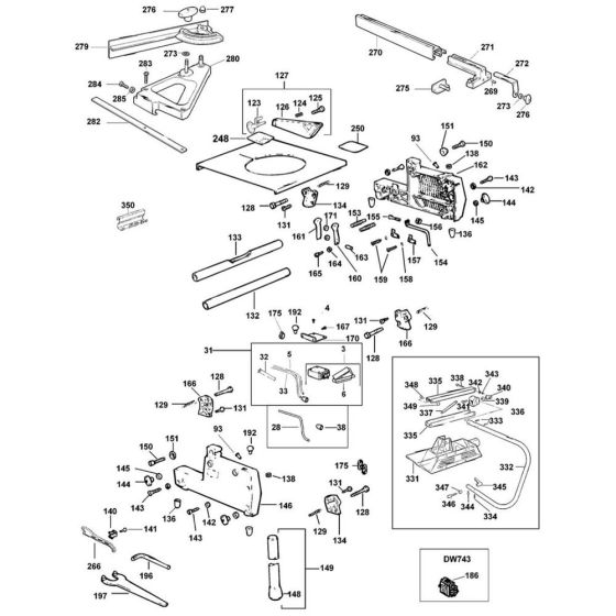
The Fence Assembly for the DeWalt DW742M Type 4 Combination Saw is a genuine DeWalt part designed to ensure precise cutting and alignment. This assembly includes key components that support the saw's functionality, such as rails and locking mechanisms. It is essential for maintaining the accuracy and safety of your cutting operations.
Reviews
Add a review
Write Your Own Review
Ask a Question
Customer Questions

