Description
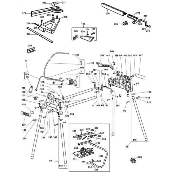
The Fence Assembly for the DeWalt DW743 Type 5 Combination Saw is a genuine DeWalt part designed to ensure precise cutting and alignment. This assembly is crucial for maintaining the accuracy and safety of your saw operations. It includes components such as rails, clamps, and guides, which are essential for smooth and efficient cutting tasks.
Reviews
Add a review
Write Your Own Review
Ask a Question
Customer Questions

