Description
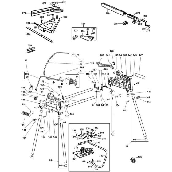
The Fence Assembly for the DeWalt DW743N Type 2 Combination Saw is designed to ensure precise cutting and alignment. This genuine DeWalt part is essential for maintaining the accuracy and safety of your saw. The assembly includes components such as rails, brackets, and locking mechanisms, which help secure materials during operation. Ideal for both professional and DIY woodworking projects.
Reviews
Add a review
Write Your Own Review
Ask a Question
Customer Questions

