Description
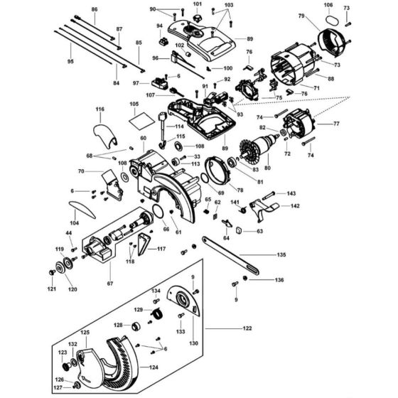
The Field Assembly for the DeWalt DW712 Type 1 Mitre Saw is a genuine DeWalt component designed to ensure optimal performance and longevity of your saw. This assembly includes crucial parts such as coils and connectors, which are essential for maintaining the electrical integrity and functionality of the machine. Suitable for routine maintenance and repairs.
Reviews
Add a review
Write Your Own Review
Ask a Question
Customer Questions

