Description
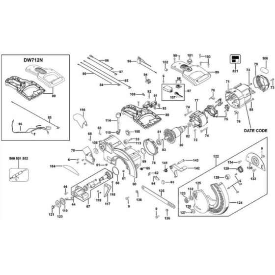
The Field Assembly for the DeWalt DW712 Type 5 Mitre Saw is essential for maintaining optimal performance. This genuine DeWalt part ensures the saw operates efficiently by providing necessary components for electrical and mechanical functions. Typical parts include coils, connectors, and insulators, which help in delivering power and stability during operation.
Reviews
Add a review
Write Your Own Review
Ask a Question
Customer Questions

