Description
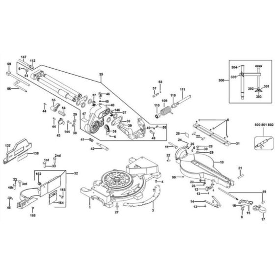
The Field Assembly for the DeWalt DW712N Type 3 Mitre Saw is a crucial component ensuring optimal performance and longevity. This genuine DeWalt part is designed to maintain the saw's efficiency by facilitating smooth operation. It includes various components such as coils, wires, and connectors, which are essential for the electrical functioning of the saw.
Reviews
Add a review
Write Your Own Review
Ask a Question
Customer Questions

