Description
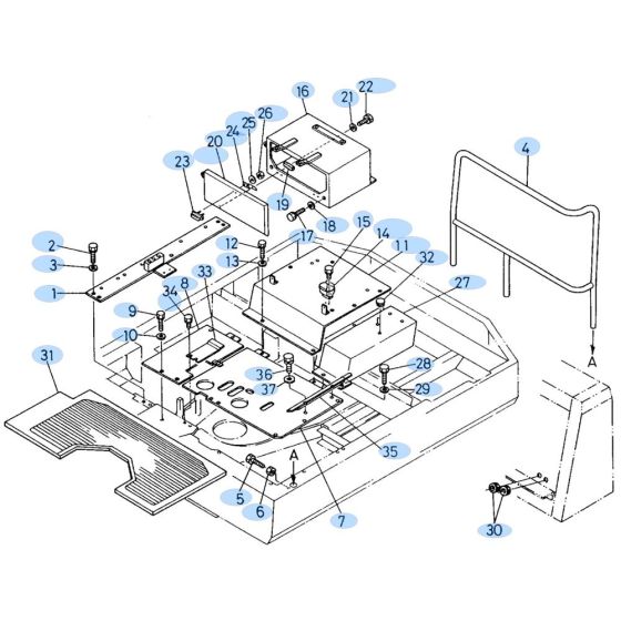
The Floor Plate Assembly for the Kubota KH60 Mini Excavator is designed to provide a durable and stable platform for operators. This assembly is crucial for maintaining the integrity and safety of the excavator's cabin area. It includes components such as mounting brackets and fasteners, ensuring a secure fit. Genuine Kubota parts ensure compatibility and reliability.
Reviews
Add a review
Write Your Own Review
Ask a Question
Customer Questions

