Description
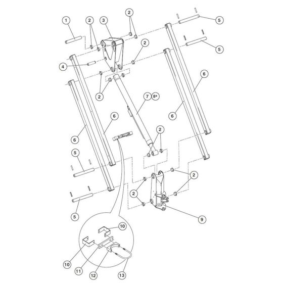
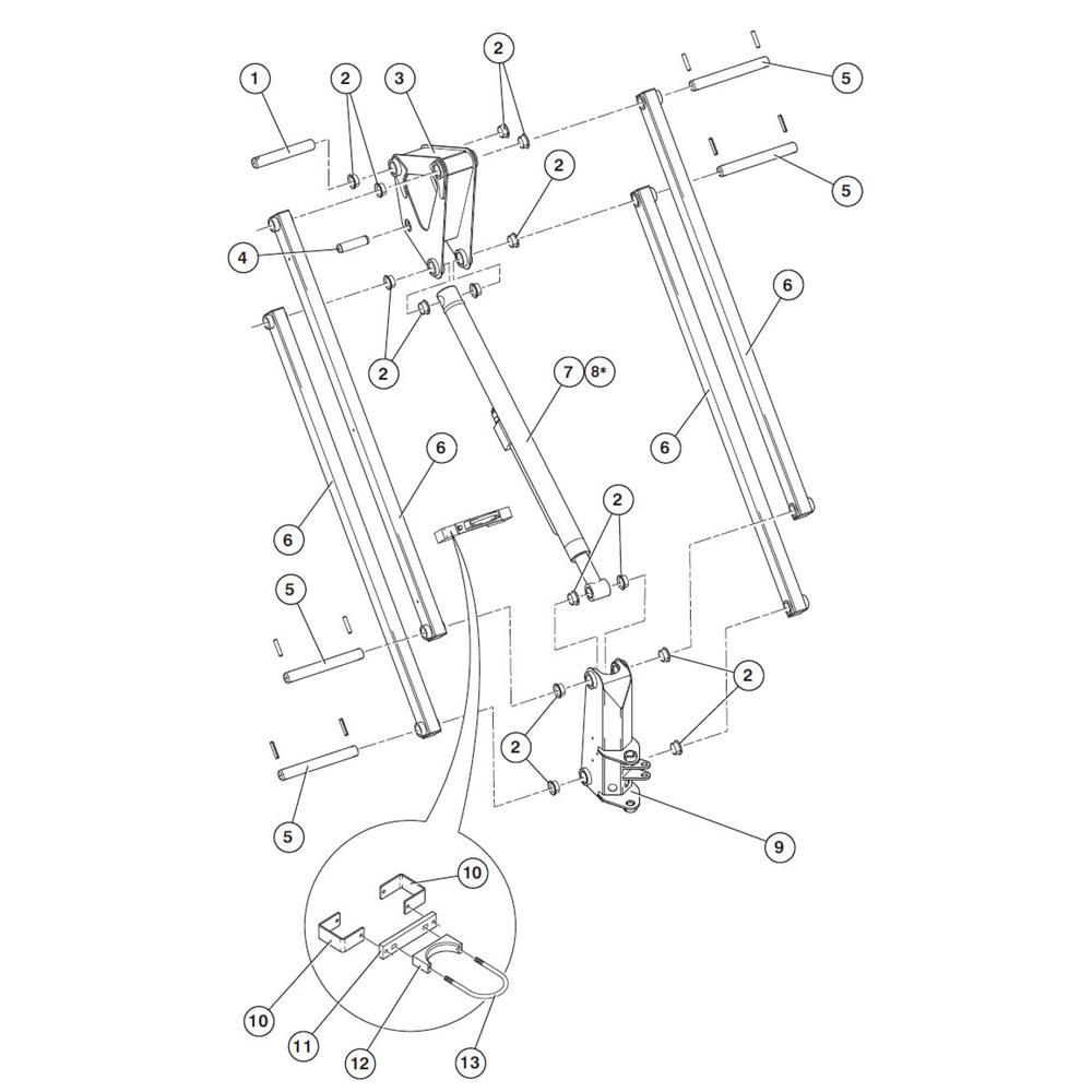
The Flyboom Assembly for Niftylift HR21 SP64 4X4 Access Platforms is a crucial component designed to enhance the reach and flexibility of the machine. This genuine Niftylift part ensures optimal performance and reliability. It includes essential elements such as joints, brackets, and connectors, all engineered to support the platform's operational demands.
Reviews
Add a review
Write Your Own Review
Ask a Question
Customer Questions

