Description
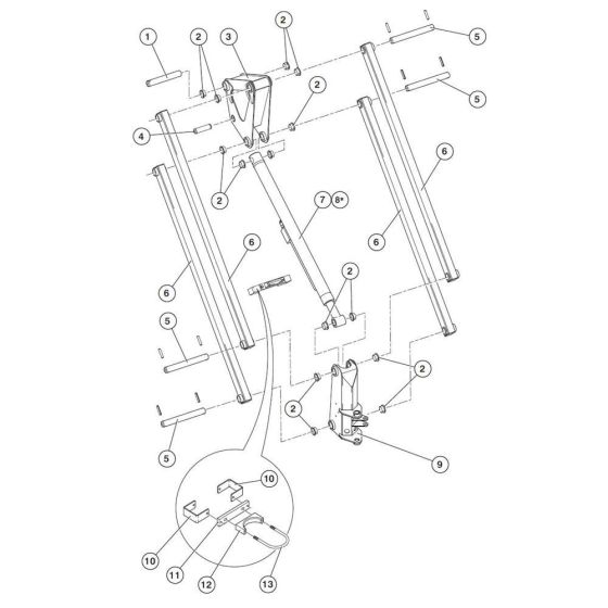
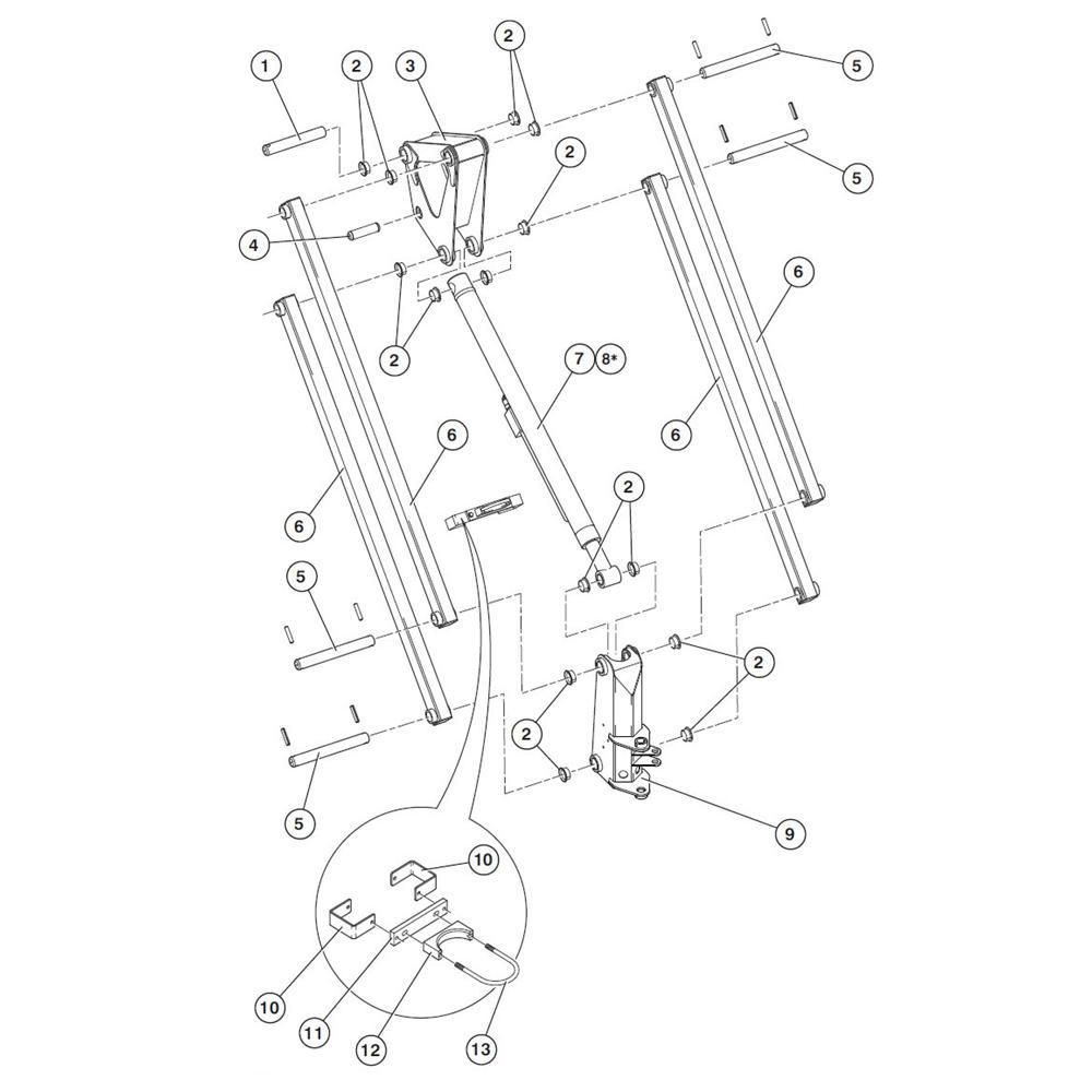
The Flyboom Assembly for Niftylift HR21 SP64 Hybrid AWD Access Platforms is a crucial component designed to enhance the reach and manoeuvrability of the machine. This genuine Niftylift part ensures optimal performance and reliability. It includes various elements such as joints, brackets, and connectors, all engineered to withstand demanding conditions. Ideal for maintaining the efficiency and safety of your access platform.
Reviews
Add a review
Write Your Own Review
Ask a Question
Customer Questions

