Description
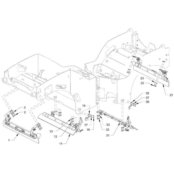
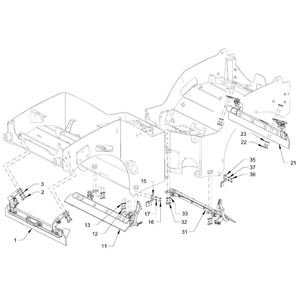
The Foldable Scraper Assembly for the Hamm HD18 - 20 Roller is designed to maintain optimal performance by efficiently clearing debris from the roller surface. This assembly includes essential components such as blades, brackets, and fasteners, ensuring effective operation. Suitable for routine maintenance, it helps prolong the lifespan of the roller by preventing material build-up.
Reviews
Add a review
Write Your Own Review
Ask a Question
Customer Questions

