Description
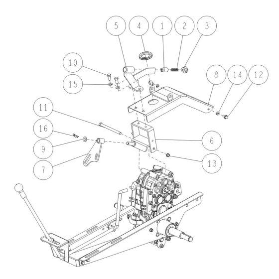
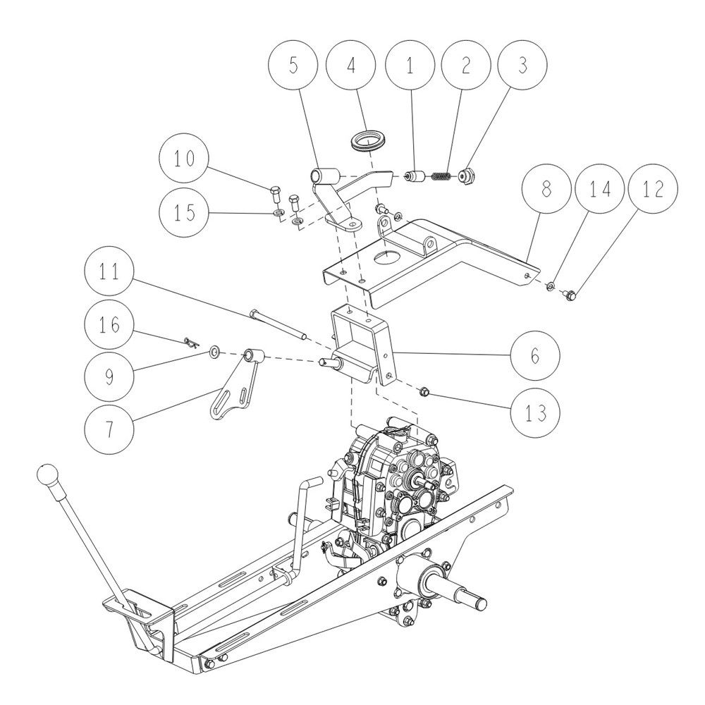
Frame Assembly -3 for OREC HR531 (2021) Mower
Genuine OREC Mower Parts
Genuine OREC Mower Parts
Reviews
Add a review
Write Your Own Review
Ask a Question
Customer Questions

