Description
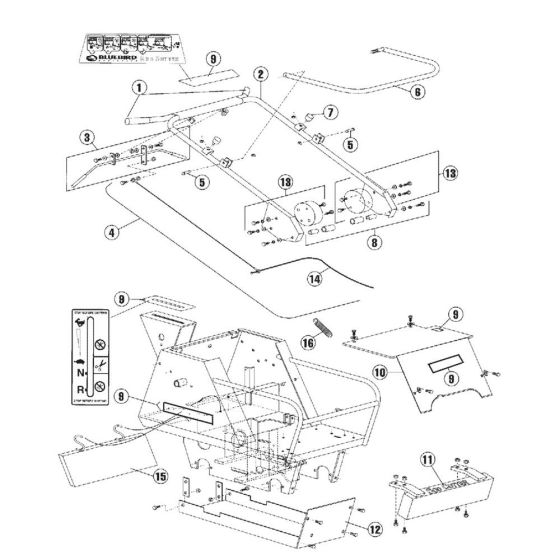
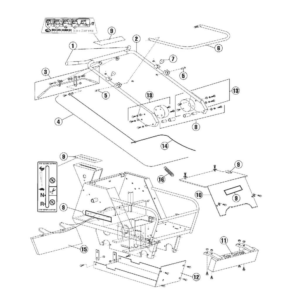
The Frame Assembly for the Husqvarna SC18 Sod Cutter is designed to support the machine's structure and ensure stability during operation. This assembly includes essential components such as brackets, mounts, and fasteners, which are crucial for maintaining the integrity and performance of the sod cutter. Genuine Husqvarna parts ensure compatibility and durability.
Reviews
Add a review
Write Your Own Review
Ask a Question
Customer Questions

