Description
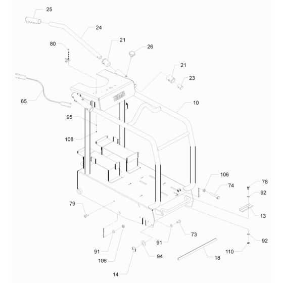
The Frame Assembly for the Wacker BFSX 90 Floor Saw is designed to support the machine's structural integrity and operational efficiency. This assembly includes key components such as brackets, mounts, and fasteners, ensuring stability during cutting tasks. Essential for maintaining the floor saw's performance, these parts are genuine Wacker Neuson products.
Reviews
Add a review
Write Your Own Review
Ask a Question
Customer Questions

