Description
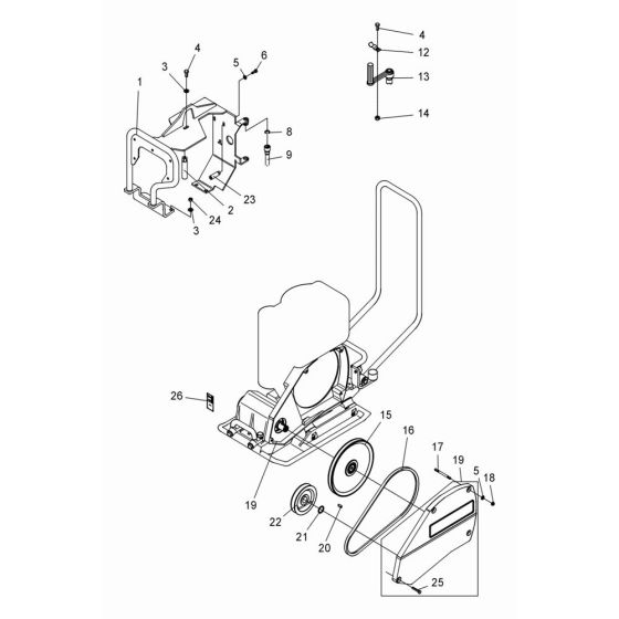
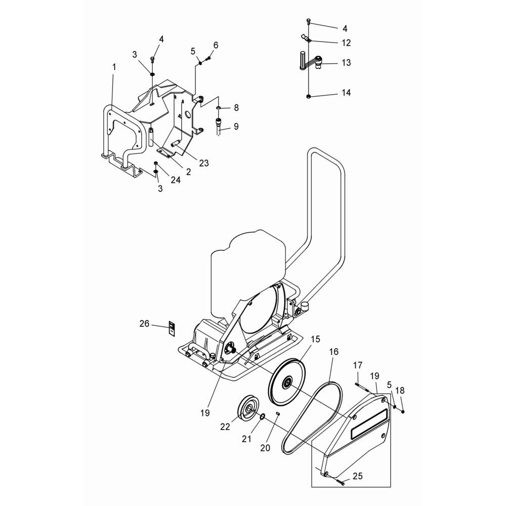
The Frame Assembly for the Wacker DPS2040 Plate Compactor is designed to support the machine's structural integrity and operational efficiency. This assembly includes components such as brackets, mounts, and fasteners, ensuring stability and durability during compaction tasks. Essential for maintaining the compactor's performance, it is suitable for various construction and landscaping applications.
Reviews
Add a review
Write Your Own Review
Ask a Question
Customer Questions

