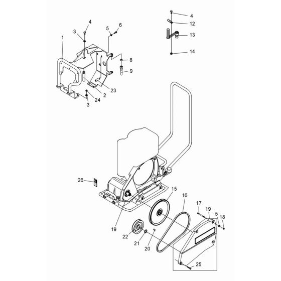
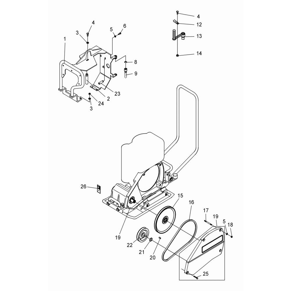
Description
The Frame Assembly for the Wacker DPS2050 Plate Compactor is designed to provide structural support and stability during operation. This assembly is crucial for maintaining the integrity and performance of the compactor. It includes components such as brackets, mounts, and fasteners, ensuring the machine operates smoothly and efficiently. Suitable for routine maintenance and repairs, it helps extend the lifespan of your equipment.
Reviews
Add a review
Write Your Own Review
Ask a Question
Customer Questions

