Description
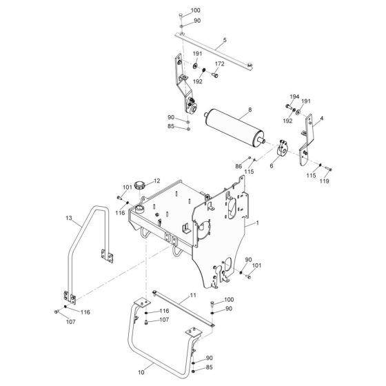
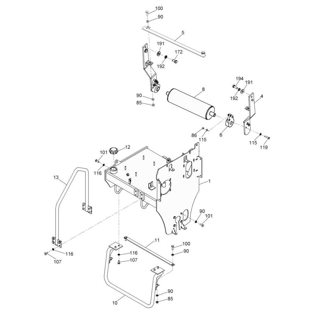
The Frame Assembly for the Wacker RS600 Roller is designed to support the machine's structure and ensure stability during operation. This assembly includes key components such as brackets, mounts, and fasteners, which are essential for maintaining the roller's integrity and performance. Genuine Wacker Neuson parts ensure compatibility and durability, providing reliable support for your single drum roller.
Reviews
Add a review
Write Your Own Review
Ask a Question
Customer Questions

