Description
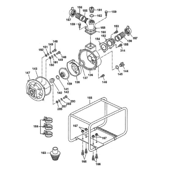
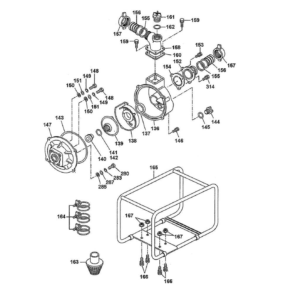
The Makita EW200R Water Pump assembly includes the frame, pump, and strainer components essential for efficient water transfer. Designed to support the pump's operation, these parts ensure stability and effective filtration. Available options include genuine and non-genuine parts to suit various maintenance needs.
Reviews
Add a review
Write Your Own Review
Ask a Question
Customer Questions

