Description
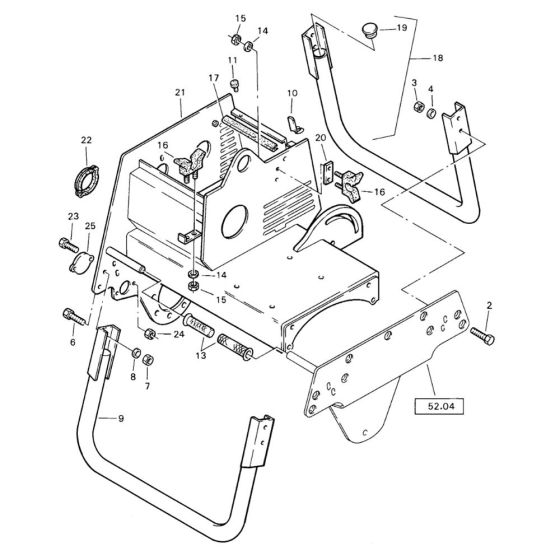
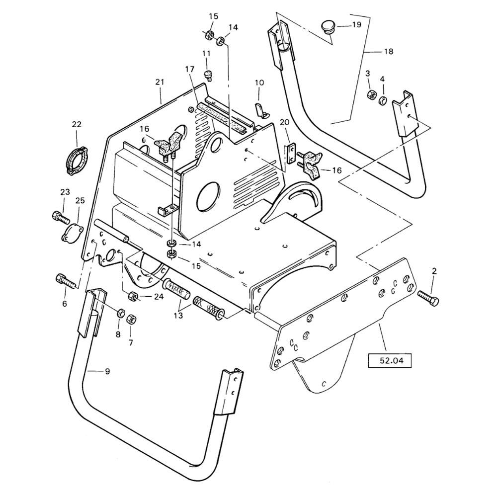
The Frame Assembly for the Bomag BW 71 E Roller is designed to provide structural integrity and support for the machine. This assembly includes components such as brackets, mounts, and reinforcements, ensuring the roller operates efficiently and safely. Genuine Bomag parts ensure compatibility and durability, maintaining the roller's performance across various applications.
Reviews
Add a review
Write Your Own Review
Ask a Question
Customer Questions

